Описание товара
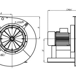
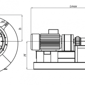
Основные составляющие дутьевого вентилятора ВДН-15-750: ходовой части, корпус-улитка, всасывающие и нагнетательные трубки, рабочее колесо и направляющий аппарат. Стимуляция топливного сгорания происходит за счет притока воздуха по трубкам. Как правило, эти вентиляторы применяются в котельных на электрических и тепловых станциях.
Условное обозначения
- В — вентилятор;
- Д — дутьевой;
- Н — лапки загнуты назад;
- * — величина рабочего колеса в диаметре.
Особые требования к эксплуатации
- Эксплуатация в условиях умеренного климата (по ГОСТу);
- Оптимальная температура при эксплуатации: от -30 до +40 °С;
- Обладает только односторонним всасыванием;
- Изделие имеет спиралевидную форму;
- Двигатель имеет двустороннюю перспективу вращения.
Применение
Вентилятор ВДН-15-750 может быть установлен как в помещении, так и на открытом воздухе, в условиях умеренного климата. Нужно добавить, что дутьевые агрегаты подлежат эксплуатации в определенных климатических условиях. Важно, что температура не должна заходить за рамки от -30 до +40 градусов. Так же, для слаженной работы механизма, при монтаже, необходимо придерживаться определенной технологической последовательности.
Комплектация
Вентилятор ВДН-15-750 поставляется как самостоятельный товар в полной заводской сборке вместе с электроприводом.



















